产品中心
产品目录
汽车焊装
气动系统
执行元件
首字母搜索:
{{n.title}}
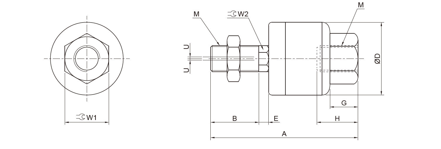
FDE 系列 浮动接头

1. 具备大的操作力,适应大推力使用需求。

2. 自动补偿连接轴间的平行度偏差及角度偏差,极大降低连接精度的要求,降低生产成本。

3. 装配时,不需要较高装配精度,提高安装作业效率。

4. 附加防尘护套,有效降低异物对使用寿命的影响。

标准规格
外形尺寸
3D预览
e122b7ffef0eaca44d76a25d20bb3867.png

455a366af67060298f92bfe1308d4ad6.png

f2a5bfab5aa75d1418373fdf27cea926.png

请先登录