首页> 产品中心> 执行元件> 定位伸缩缸> 自锁型单导杆伸缩销
产品中心
产品目录
汽车焊装
气动系统
执行元件
首字母搜索:
{{n.title}}
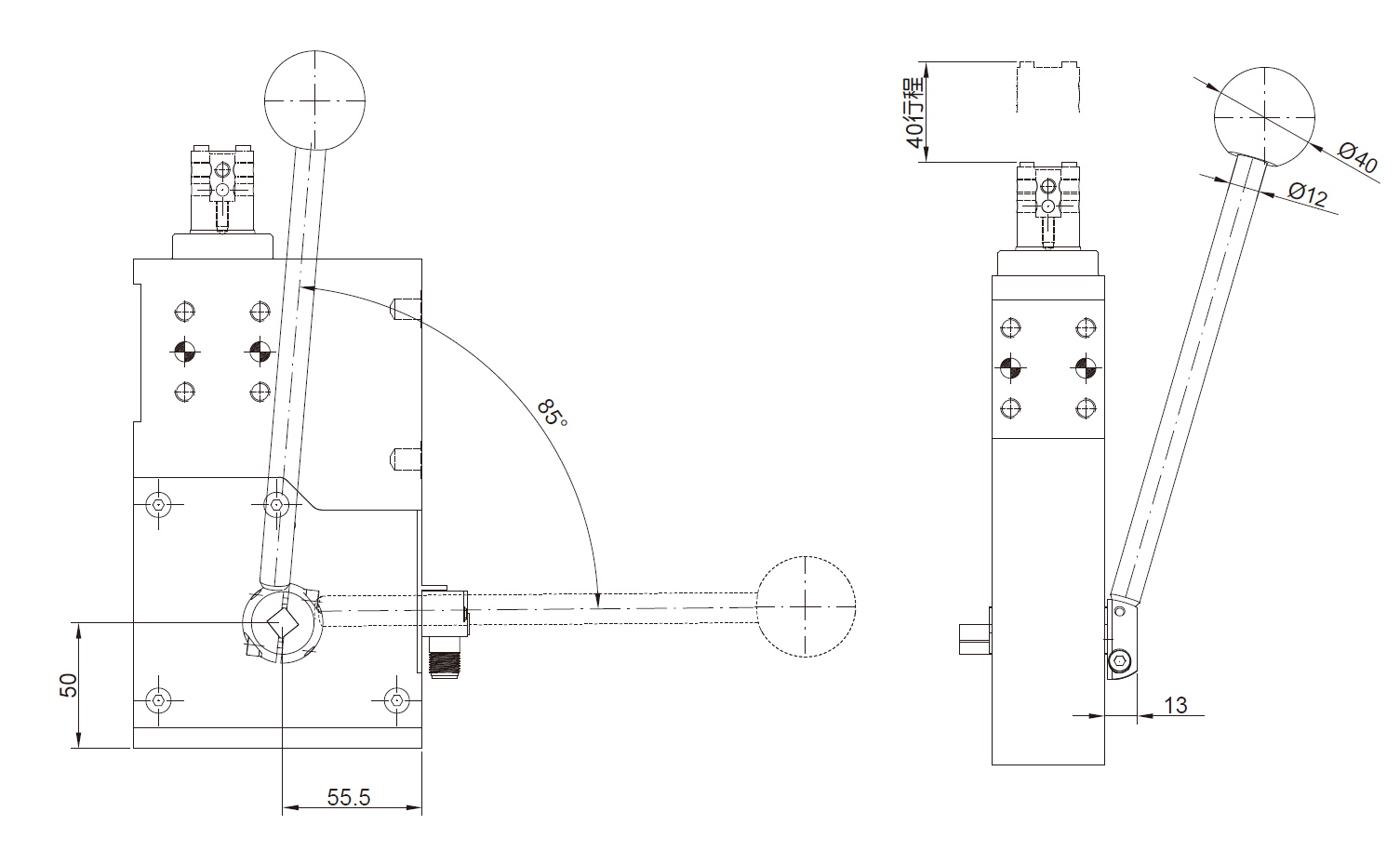
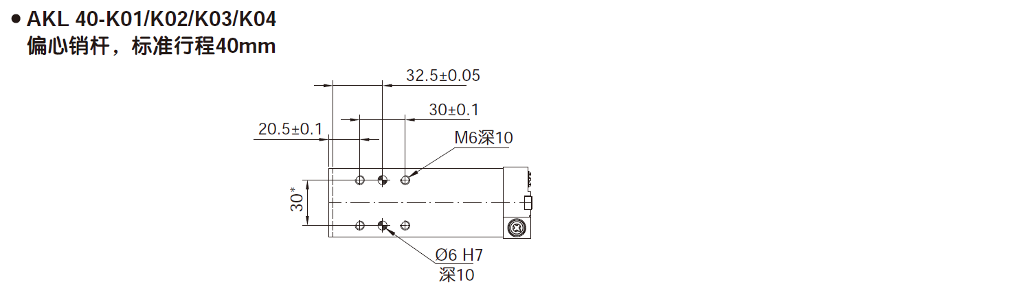
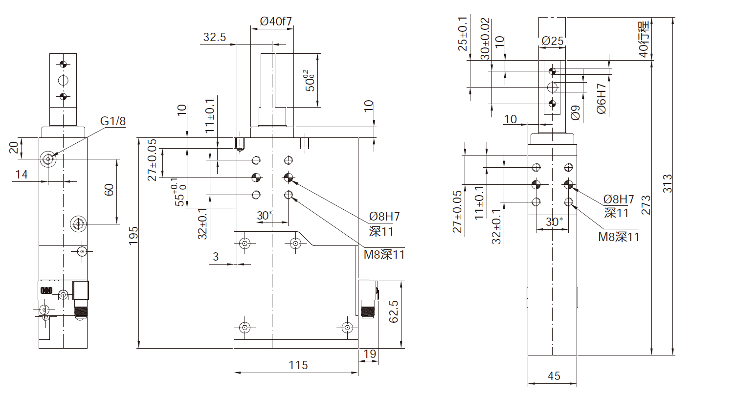
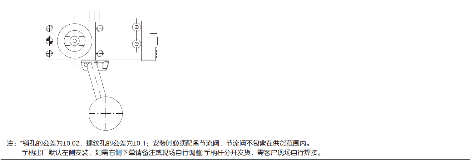
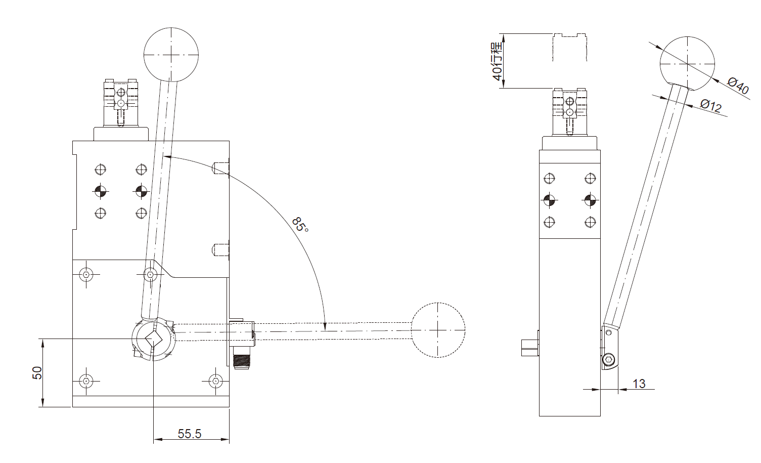
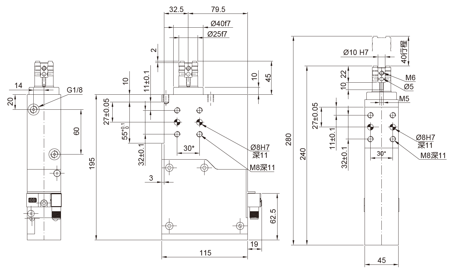
AKL 系列 自锁型单导杆伸缩销

1. 高强度铝合金壳体。

2. 由Ø40mm气缸驱动连杆机构,带动伸缩杆伸缩。

3. 在最终位置推力或拉力能达到 4 kN。

4. 两个伸缩杆装配自润滑衬套导向。

5. 包括底面共有5个安装面。

6. 集成传感器。

7. 壳体两端铜衬套导向保证高定位精度。

订购码
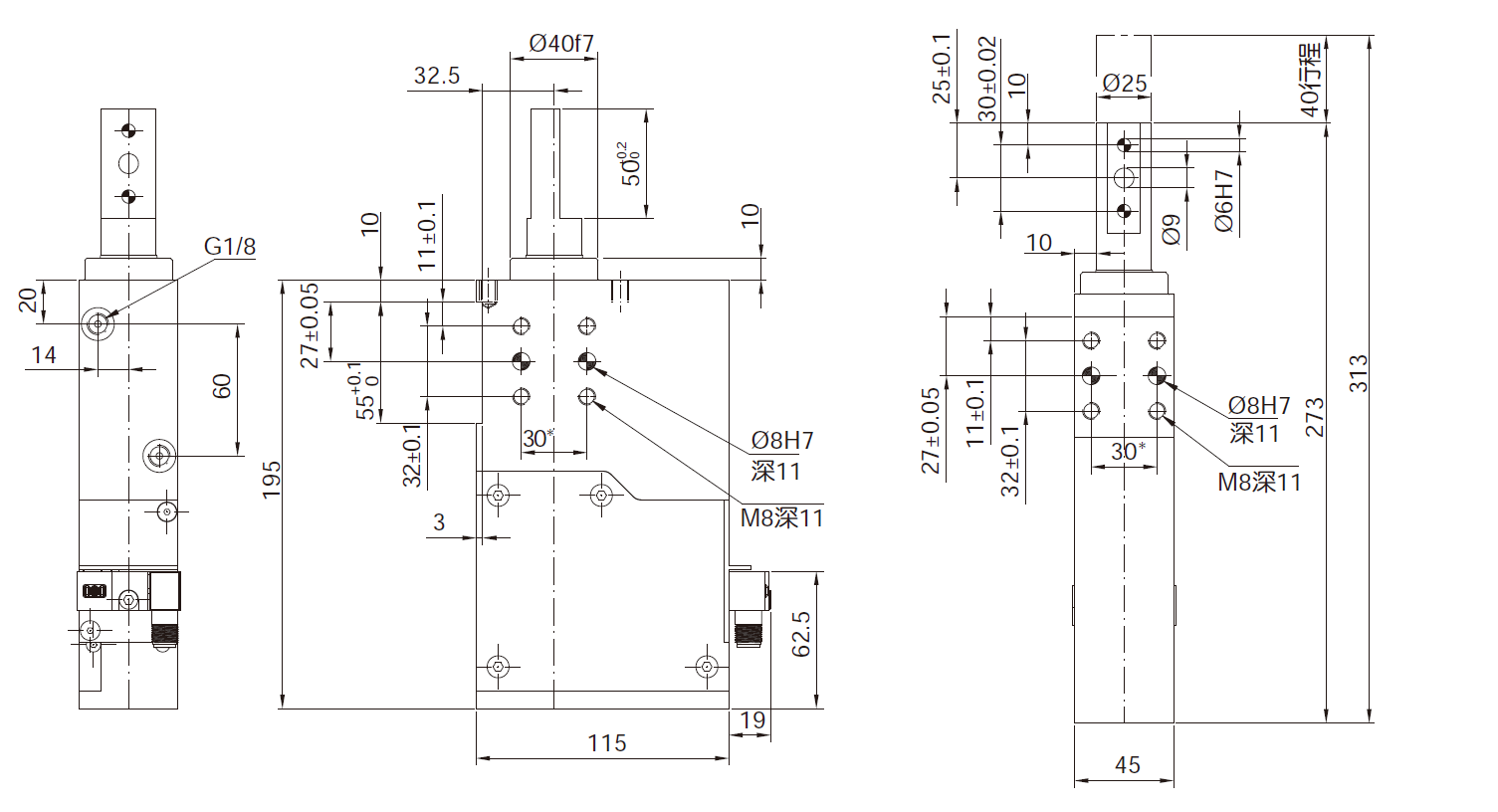
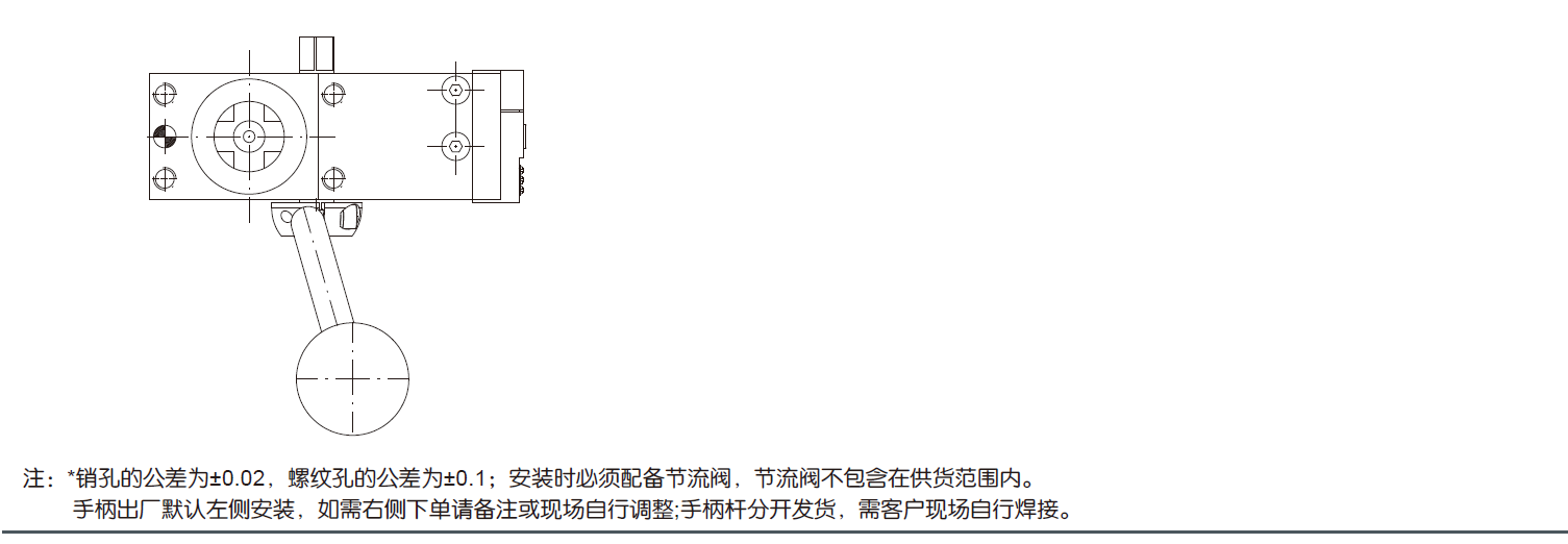
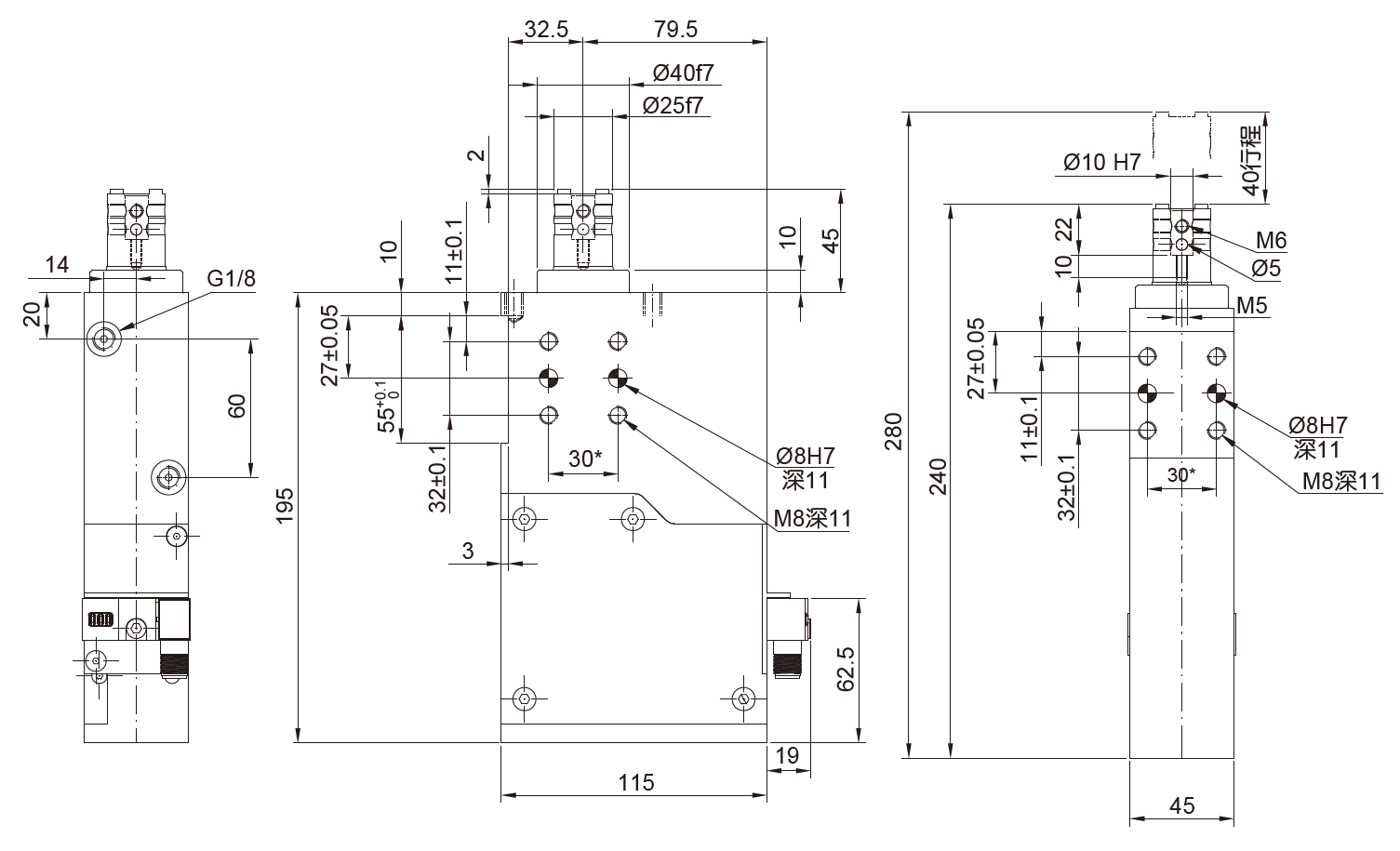
标准规格
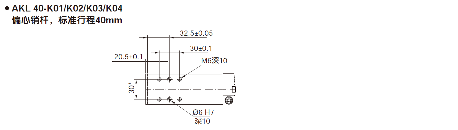
外形尺寸
3D预览

企业微信截图_17578957043027.png

企业微信截图_17576354552703.png

企业微信截图_1757635490645.png

企业微信截图_17576355141503.png

企业微信截图_17576355323586.png


企业微信截图_1757635549724.png

企业微信截图_17576355672382.png

企业微信截图_17576355848274.png


企业微信截图_17576356118431.png

企业微信截图_17576356344466.png

企业微信截图_17576356511083.png

请先登录