产品中心
产品目录
汽车焊装
气动系统
执行元件
首字母搜索:
{{n.title}}
AKUT 系列 容差式强力夹紧缸

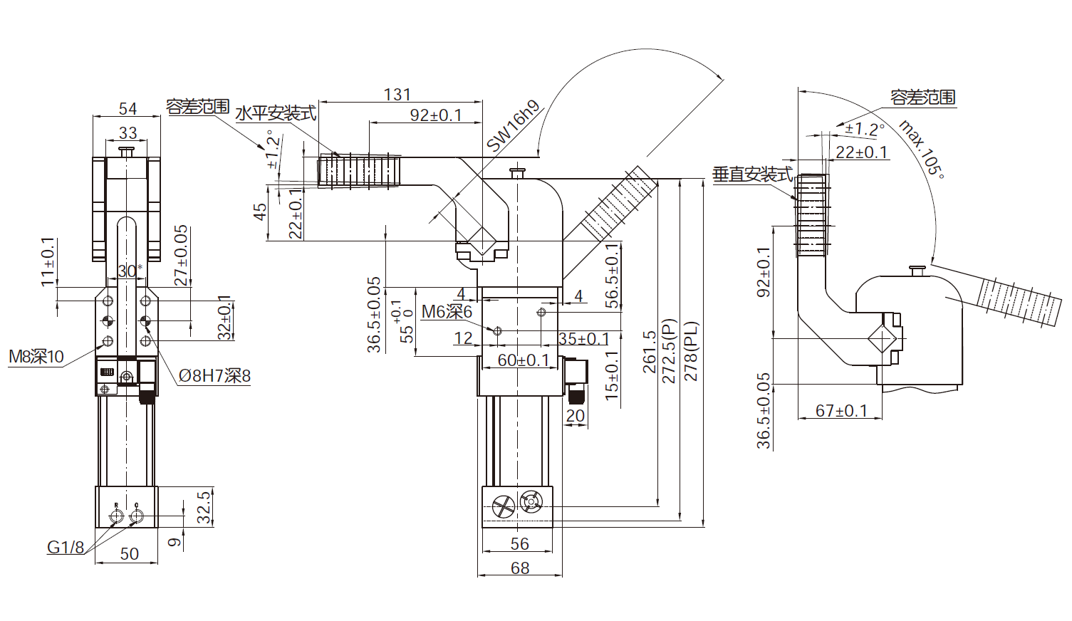
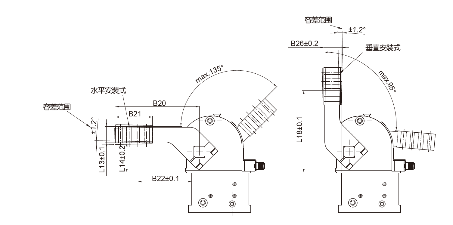
1. 带曲线从动原理的紧凑型夹紧器,可以提供恒定的夹紧力,具有料厚补偿功能,补偿范围±1.2°。

2. 高强度铝合金壳体,多个安装面可选。

3. 带标准安装孔夹臂,与AKUS系列通用。

4. 打开角度从15°-135°无极可调。

5. 打开位置气动缓冲。

6. 终端位置气动锁紧可选。

订购码
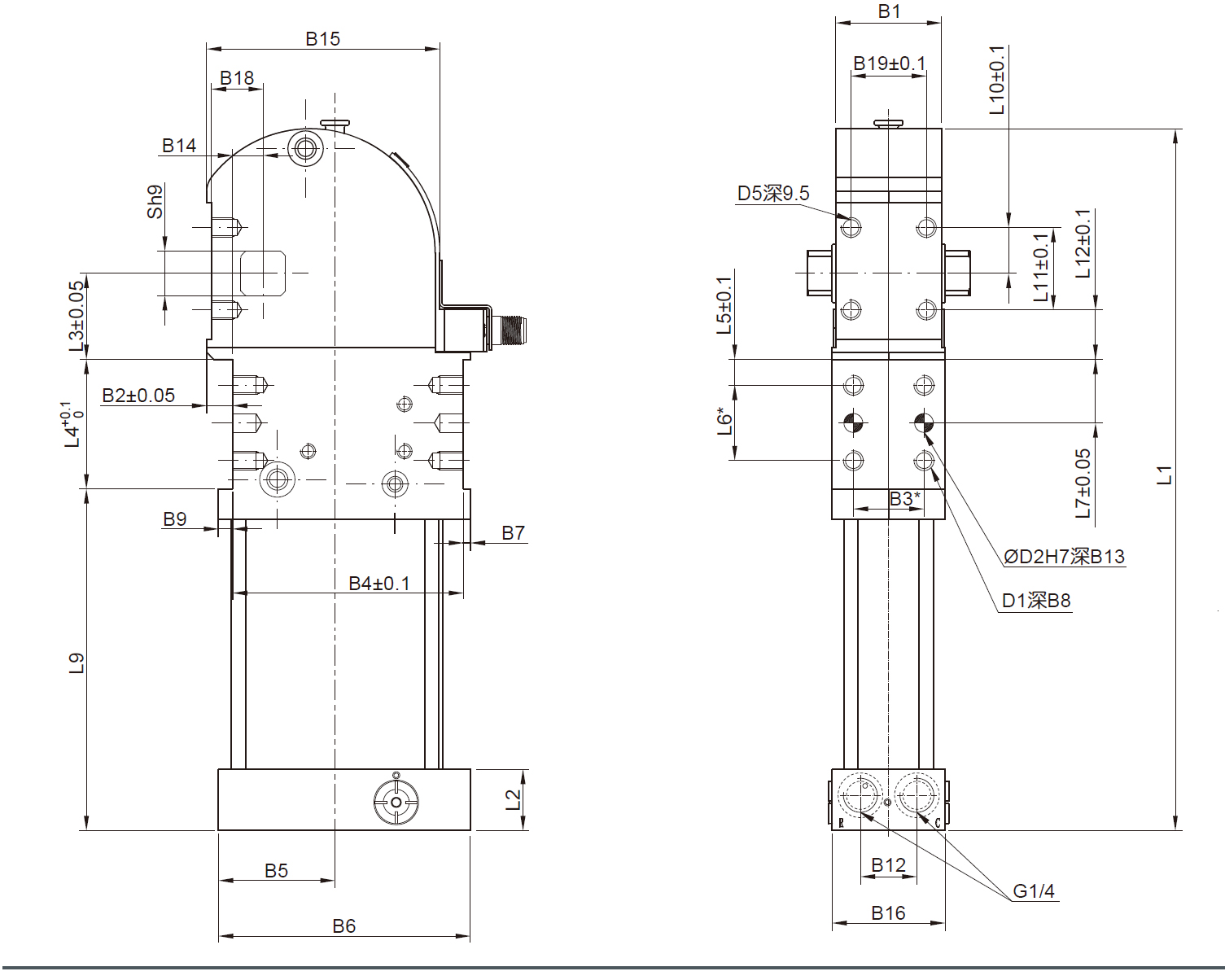
标准规格
外形尺寸
3D预览

企业微信截图_17578972752701.png

企业微信截图_17576547659156.png

企业微信截图_17576548022065.png

企业微信截图_17576548161435.png

企业微信截图_17576548357704.png

企业微信截图_17576548595891.png

企业微信截图_17576548748289.png

企业微信截图_17576548975260.png

AKUT.jpg

企业微信截图_17576550299436.png

企业微信截图_1757655045659.png

企业微信截图_17578975895227.png

请先登录