首页> 产品中心> 气动系统> 真空元件> 集成式真空发生器
产品中心
产品目录
汽车焊装
气动系统
执行元件
首字母搜索:
{{n.title}}
UZK 系列 集成式真空发生器

1.节能型真空发生器,可减少 90% 空气消耗量(与非节能型相比)。

2.带节能功能的真空数字式压力开关,达到真空设定值即停止供气。
3.真空发生器效率提高(与一段式真空发生器相比),吸入流量增加 50%,空气消耗量消减 30%。
4.小型化、轻量化,体积最小85cm3,重量最小90g。
5.节省配线(D型辅助插头),节约配管、配线、设置等工时。
6.提高可维护性透明过滤器外罩,可以目视检查清洁状态,外罩方便拆卸清洗。
7.安装方式多样化,单体托架安装,单体 DIN 导轨安装,集装 DIN 导轨安装。

订购码
标准规格
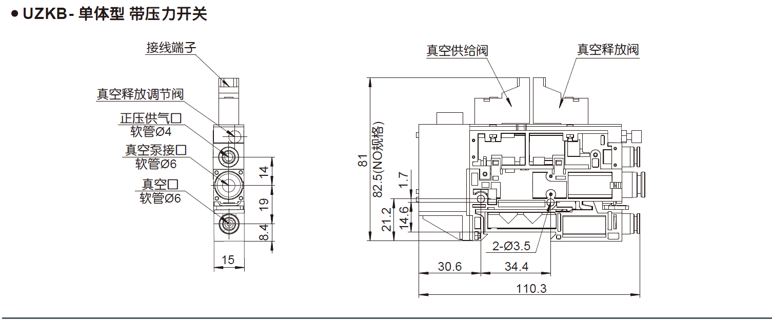
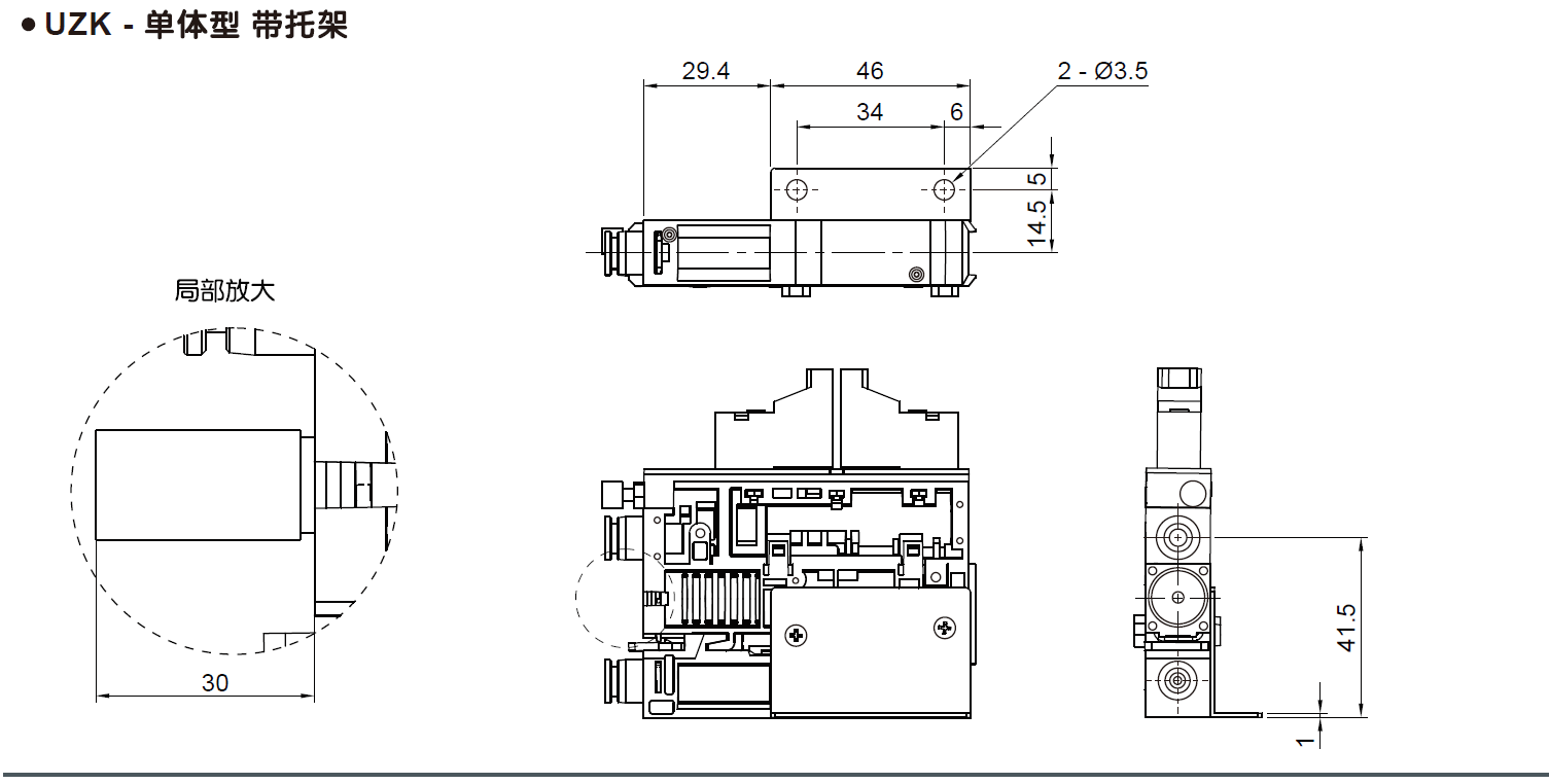
外形尺寸
3D预览

企业微信截图_17567064449806.png

企业微信截图_17560926895953.png

企业微信截图_1757486102743.png企业微信截图_17574861328054.png企业微信截图_1757486145181.png企业微信截图_17574861605906.png企业微信截图_1757486171848.png企业微信截图_17574861857993.png
请先登录