首页> 产品中心> 气动系统> 真空元件> 多级真空发生器
产品中心
产品目录
汽车焊装
气动系统
执行元件
首字母搜索:
{{n.title}}
UZL 系列 多级真空发生器

1.采用3级扩压管,真空流量大,节省能源。

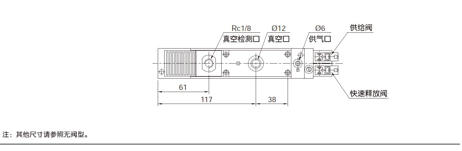
2.可选配供给阀/快速释放阀,真空检测口可安装数显压力开关。

3.内置真空过滤器,可选内置消音器。

4.可3个方向安装(顶/底/侧),适应不同安装场合需求。

订购码
标准规格
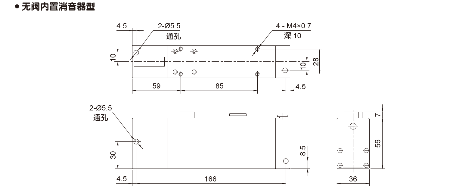
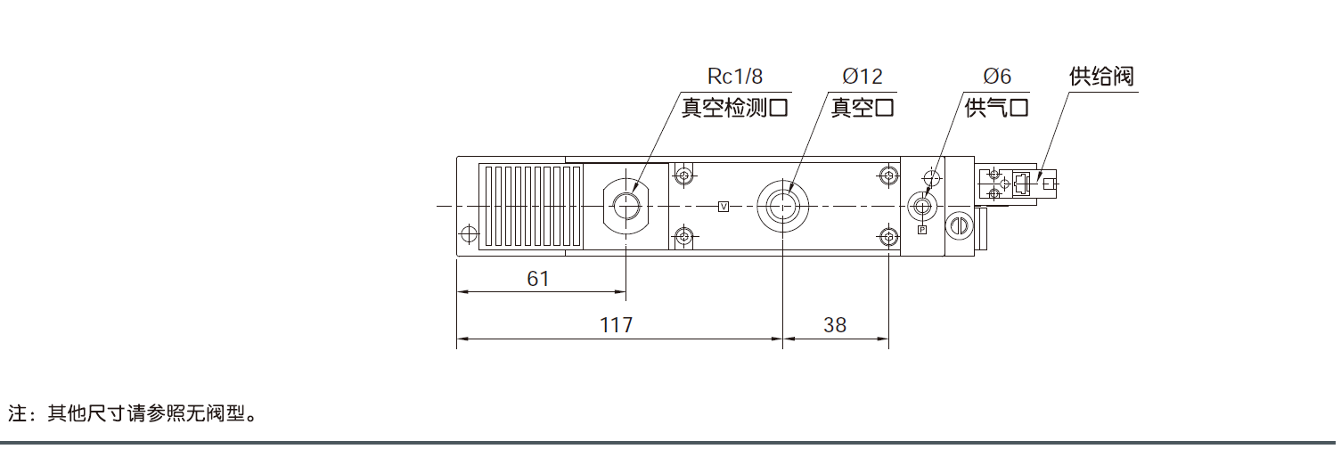
外形尺寸
3D预览
1.png
34f9720d0018fff436d8a80eb727d046.png

3.png4.png5.png6.png7.png企业微信截图_1756688668713.png企业微信截图_17566887261203.png10.png

请先登录