首页> 产品中心> 执行元件> 焊装强力夹紧气缸> 手自一体式强力夹紧缸
产品中心
产品目录
汽车焊装
气动系统
执行元件
首字母搜索:
{{n.title}}
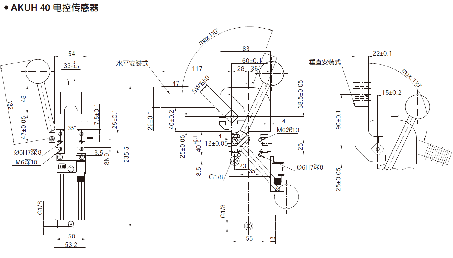
AKUH 系列 手自一体式强力夹紧缸

1. 曲柄连杆机构设计,承载能力大。

2. 打开角度无极可调。

3. 既可气动控制,也可手动控制。

4. 夹紧位置断气自锁。

5. 前后左右四面均可选择安装。

6. 集成传感器。

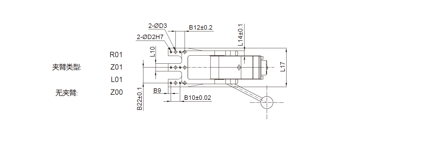
7. 多种夹臂型号满足客户不同需求。

订购码
标准规格
外形尺寸
3D预览

企业微信截图_17578972252321.png

企业微信截图_17576484668439.png

企业微信截图_17576545404772.png

企业微信截图_17576545555462.png

企业微信截图_17576545826340.png

企业微信截图_17576546018877.png

企业微信截图_17578972543789.png

请先登录