产品中心
产品目录
汽车焊装
气动系统
执行元件
首字母搜索:
{{n.title}}
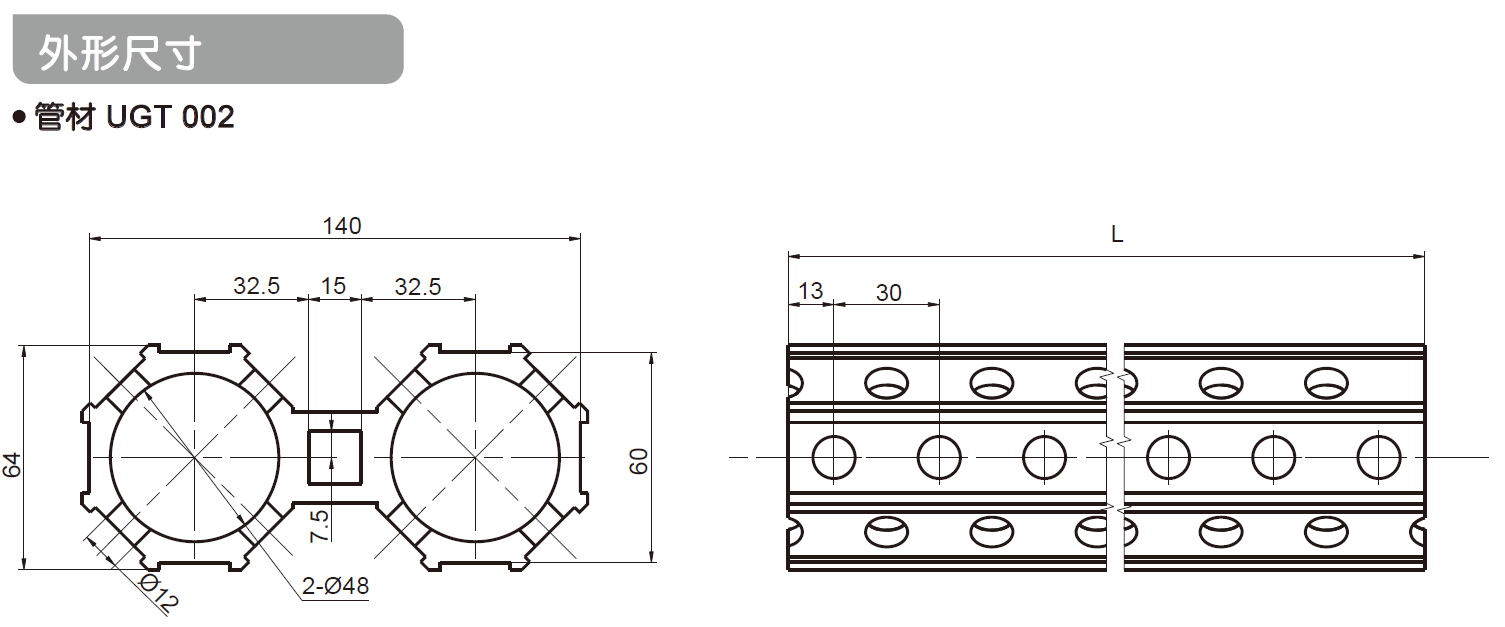
新型UGT抓具

UGT抓具系统是一种新型的模块化抓具系统,主框架管件为带有定位凹槽和精孔的八角管型材,连接件通过定位凹槽和精孔定位与管件连接,二级连接采用圆管组件连接,连接简单、灵活。UGT抓手精度更高,孔位间隔15mm交错分布,重量轻,较少的螺栓紧固,大大减少了安装时间和维修时间,无需使用专用工具,最少只需一个螺栓即可实现连接件与管件连接简单快速,特殊高强度的UGT002双重管,可用于高负载和高精度要求情况下的特殊抓手。

1.精度高,性价比好,适用于高自动化场合。

2.高性价比,设计简单,安装简便,维修快捷,适用于绝大部分工况。

功能与连接方式
管材
配件

企业微信截图_17616161004494.png

128518690b61d93835e1c84c719767cf.png

4f4f40e5df62d239ac2fb48fd7a9664a.png


ee69ea3de141942001ef125678a23468.png

a085ca9dfa844da90e356e70358a2423.png

企业微信截图_17612918897828.png企业微信截图_17612919236882.png企业微信截图_1761291939250.png企业微信截图_1761291963954.png企业微信截图_17612919806229.png

40c42f3733e6a886266f60f17b16d057.png

4484b8739b0f0a173806f6b777c2fbec.png

企业微信截图_1761292118117.png企业微信截图_17612921438966.png企业微信截图_17612921541813.png

5c94a05f51fe4d7c839ddacc5ab87325.png

0fd2bde8aef1824aa63b72208b669f87.png

141f4d5ae9c7f7a95f71b4fc05c3e9e7.png

企业微信截图_17612922467041.png企业微信截图_17612922725525.png企业微信截图_17612922985311.png

6757012bea0b28fc1c911d3d0243a686.png

308c741327b789d474a6dbfc14007193.png

14dd8938556262dae26547adce2674b9.png

企业微信截图_17612931024128.png企业微信截图_17612931243956.png企业微信截图_17612931364857.png

1c6ffbb2d5294082cb787644470fefee.png

554598551d37cc8a983282c3508cfd6a.png

企业微信截图_17612927018879.png3fa46b9eb5c2fa4844973f6b3dcf53fc.png企业微信截图_176129275435.png企业微信截图_17612927725924.png企业微信截图_17612927941477.png

3fa46b9eb5c2fa4844973f6b3dcf53fc.png

b58b2d53d26e1076555f3dea91bb1148.png

d956626d015c8e457b25fbe50e835f53.png

240434d4e440c53638020db14f7a6450.png

3fa46b9eb5c2fa4844973f6b3dcf53fc.png

企业微信截图_17612929298187.png企业微信截图_17612929504654.png

企业微信截图_17612950877643.png7d33bc3d2a62ecf79783d25d4822ba61.png企业微信截图_17612950094170.png企业微信截图_17612949917368.png企业微信截图_17612949716023.png企业微信截图_17612949527999.png

d4618f6d8e5ef3502b405d692d487a8a.png

9ce5eb4dc8c0ab035ad33c9c8d4f0316.png

cb58c30cd4c93a04255adfc09b99798b.png

fcbfe81bc0722a2c090401f5ef6afaea.png

99eef3585fa443b2b0494ef1cbbdb293.png

企业微信截图_17612948299177.png企业微信截图_17612948101938.png企业微信截图_17612947949419.png

acffa536eb79383a3c5f59a312fc4494.png

c8536bb22030d867c40ae89065d1ed43.png

e9f9b2585c4ab86b27104b8fbbea58e4.png

8afd4cd9fa549e0de28b352953fae8d1.png

81b64f09576584a26f4e833b09277820.png

企业微信截图_17612946927599.png企业微信截图_17612946739239.png企业微信截图_17612946588336.png

2a26befe799c518c47dc8b786c63755e.png

d532be0c991efc026d4abbb75c369e91.png

c6691464675c7017daf5f28edfc3053e.png

de83f42b800804122f2e8c36bbb3e6f1.png

d71faffdf0972483ab3ef30e36a74df0.png

企业微信截图_176129454661.png企业微信截图_1761294530166.png企业微信截图_17612945123373.png

f7144386927125d3687ae3ef026d9625.png

192cdc57860dd9aa9cc372940423a302.png

404e6b0a21983bafad49e0a28ddf5181.png

企业微信截图_17612942624829.png

c36e00fb53ae6c22b5358a076fb3c4de.png

企业微信截图_17612942174587.png企业微信截图_17612941932096.png企业微信截图_17612941759624.png

2a9276379bfef723bde755d14a33bc80.png

478431658042bb9475a8ac5b97cfa18b.png

b137fe0889e022139c3d88374baa3127.png

企业微信截图_17612941035061.png

c2c90428bcfcdd18266f2dcdabf4c461.png

企业微信截图_17612940511381.png企业微信截图_1761294024206.png企业微信截图_17612940088745.png

be58f45959593b289c952880fd4fad8f.png

a23a31874d4cdcc6e14138e8dff401c4.png

ac47a5e02e990f323b714d65e3cc2773.png

a308777ec1587a6c97adb9dc8c2ce2f2.png

71aef18ac26f289b7aed8ba39510a24d.png

企业微信截图_1761293909201.png企业微信截图_17612938932745.png企业微信截图_17612938781452.png

c8a93d4f72fd37c2bf077575fa2f922a.png

08486f6ac7a7ca29c3126d7d3d3d315c.png

b11d33b4991adb205a52f8befba3e407.png

8263bfb4caeb12e4e7f847962fc289e9.png

63fd1fd54a5a93630d091974d2e8bf5c.png

66c440c5ab66a5fcdd41ac0236d716d9.png

企业微信截图_1761293731193.png企业微信截图_17612937143489.png

10c4c535af8b682e0ea6bb06f15f8b1e.png

995eb3b078a84673a4588885d1633f28.png

企业微信截图_17612936347961.png

04f687eec8969fee6f7be37c24555a58.png

019a9c4c80d073b44c25f2047164c690.png

企业微信截图_17612935031795.png企业微信截图_17612934726584.png企业微信截图_17612934519709.png

a3d74e40bb7894078f4bc847842841f2.png