首页> 产品中心> 执行元件> 带导杆气缸> 薄型带导杆气缸
产品中心
产品目录
汽车焊装
气动系统
执行元件
首字母搜索:
{{n.title}}
GYNB 系列 薄型带导杆气缸

1.缸体薄型化设计,占用空间小,安装简易。

2.附导杆设计,抗扭转及侧向载荷能力强。

3. 加长高精度导套,不回转精度高。

4.轴套采用加长加厚青铜制作,一次性加工完成,承载能力强,适合汽车生产治具,作为夹紧及活动定位销使用。

5.全系列附磁环设计。

订购码
标准规格
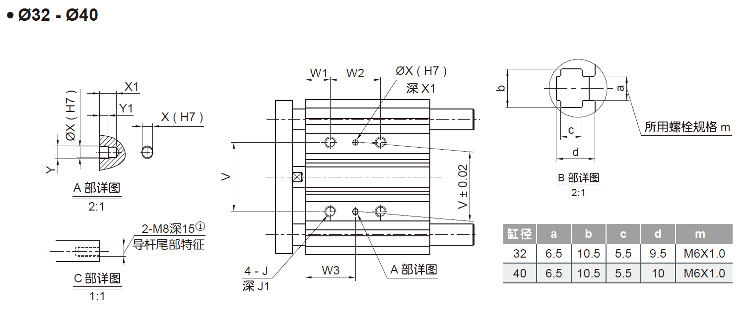
外形尺寸
3D预览
企业微信截图_17576441465462.png
企业微信截图_17576441269725.png
企业微信截图_17576441668458.png企业微信截图_17576441884400.png企业微信截图_17576442084906.png企业微信截图_17576442278809.png企业微信截图_17576442474285.png企业微信截图_17576442637903.png
请先登录