首页> 产品中心> 执行元件> 气动夹爪> 重型气爪 ( 2 手指 )
产品中心
产品目录
汽车焊装
气动系统
执行元件
首字母搜索:
{{n.title}}
MHSP 系列 重型气爪 ( 2 手指 )

1. 平行开闭,适合内侧和外侧夹持工作。

2. 承载力、力矩大。

3. 每个缸径有两种行程可选,夹持范围广。

4. 缸体多面安装设计,安装灵活容易。

5. 全系列附磁环设计,磁性开关和接近开关两种可选。

6. 缸体气孔设计有压装式连接,适用于不方便接接头的场合,实用性强。

订购码
标准规格
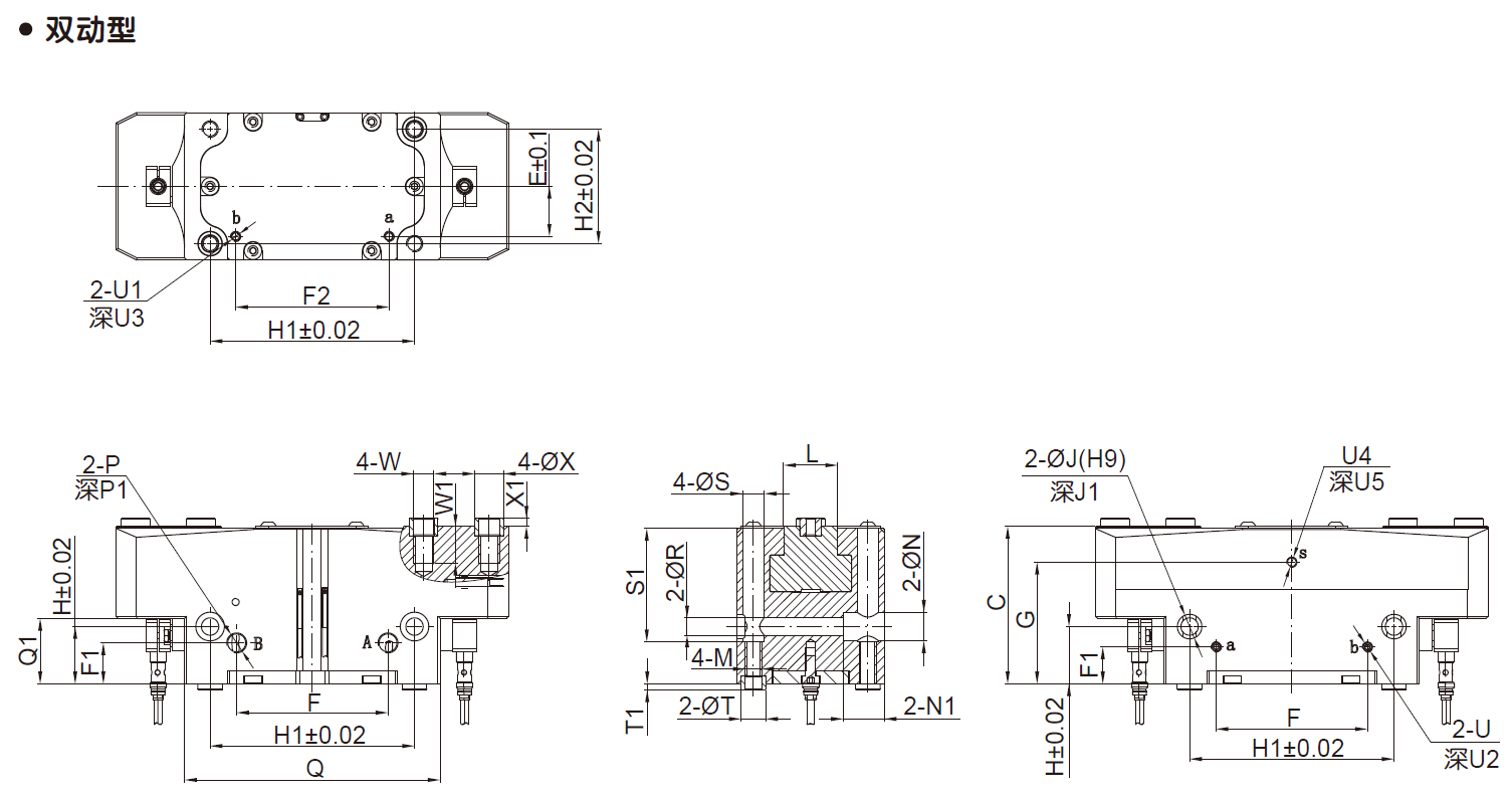
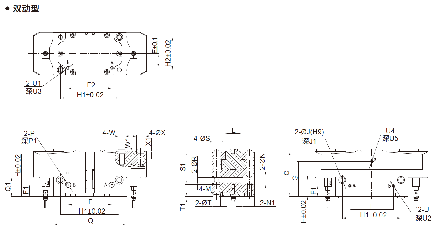
外形尺寸
3D预览

企业微信截图_17569523669719.png

企业微信截图_17569523902555.png

企业微信截图_17569524088242.png

企业微信截图_17576690732854.png

企业微信截图_17569523449460.png

企业微信截图_17569524331383.png

企业微信截图_17569524557067.png

企业微信截图_17569524855642.png

企业微信截图_17569525037655.png

企业微信截图_1756952523462.png

企业微信截图_17569525386324.png

请先登录